СМК-1 извещатель магнитоконтактный Магнито-Контакт
111 ₽
Описание
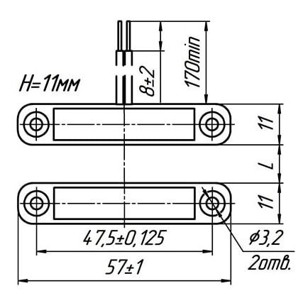
СМК-1 – сигнализатор магнитоконтактный, предназначен для блокировки дверных и оконных проемов, организации устройств типа «ловушка», а также блокировки других конструктивных элементов зданий и сооружений на открывание или смещение с выдачей сигнала «Тревога» путем размыкания контактов геркона на приемно-контрольный прибор, концентратор или пункт централизованного наблюдения.
Сигнализатор конструктивно состоит из датчика магнитоуправляемого на основе геркона и задающего элемента на основе магнита, выполненных в корпусах из ABS пластика. Из магнитоуправляемого датчика выведены два многожильных провода длиной 0.17 м для подключения в ШС (по заказу сигнализаторы изготавливаются с любой длиной вывода датчика).
Детали
| Производитель | |
|---|---|
| Зазор срабатывания | |
| Взрывозащищенный | |
| Тип монтажа | |
| Температура эксплуатации |






